ABPMJJN400MG2A5
Product Description
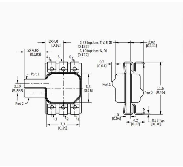
The Honeywell ABP Series are piezoresistive siliconpressure sensors offering a ratiometricanalog or digital output for readingpressure over the specified full scalepressure span and temperature range.They are calibrated and temperaturecompensated for sensor offset,sensitivity, temperature effects andaccuracy errors (which include non-linearity, repeatability and hysteresis)using an on-board Application SpecificIntegrated Circuit (ASlC). Calibratedoutput values for pressure are updatedat approximately 1 kHz for analog and2 kHz for digital. All products aredesigned and manufactured accordingto lS0 9001 standards.Dry gases option: The input port islimited to non-corrosive,non-ionicmedia (e.g., dry air, gases) and shouldnot be exposed to condensation.Thegases are limited to media compatiblewith high temperature polyamide,silicone, alumina ceramic, silicon, goldand glass.Liquid media option:includes anadditionalsilicone-based gel coatingto protect the electronics under port P1, which enables use with non-corrosive liquids (e.g. water and saline) and in applications where condensation can occur. Since port P2 is designed for use with non-corrosive liquids, this option is often suitable for wet-wet differential sensing.
FEATURES
• Measures gage and differential pressures
• Total Error Band (see Figure 1): ±1.5 %FSS
• Liquid media option: Allows for wet/ wet operation on dual ported devices
• Industry-leading long-term stability: ±0.25 %FSS
• Industry-leading accuracy: ±0.25 %FSS BFSL
• Wide pressure range: 60 mbar to 10 bar | 6 kPa to 1 MPa | 1 psi to 150 psi
• As small as 8 mm × 7 mm
• High burst pressures (see Table 7)
• Calibrated over temperature range of 0°C to 50°C [32°F to 122°F]
• Operates from a single power supply of either 3.3 Vdc or 5.0 Vdc
• Output: Ratiometric analog or I2C- or SPI-compatible 12-bit digital
• Power consumption: 2 µA typical when utilizing sleep mode option
• Meets IPC/JEDEC J-STD-020E Moisture Sensitivity Level 2 requirements
• REACH and RoHS compliant
• Options: Internal diagnostic function, liquid media, sleep mode, temperature output
• Sensor materials have been tested and certified for these food safety standards:
- NSF-169
- BPA Free
- LFGB
APPLICATIONS
• Medical: CPAP, blood analysis, blood pressure monitoring, breast pumps, drug dosing, hospital beds, massage machines, oxygen concentrators, patient monitoring, sleep apnea equipment, urine analyzers, ventilators/portable ventilators, and wound therapy
• Industrial: Air brakes, HVAC/ transmitters, life sciences, material handling, pneumatic control and regulation, process gas monitoring, and valve positioning/positioners
• Commercial: Air beds, coffee makers, and washing machines
DIFFERENTIATION
• Enhanced accuracy helps the design engineer fully understand the error in measurement.
• Wide supply voltage range offers design flexibility.
• Power consumption when utilizing sleep mode option allows for use in battery-powered applications.
VALUE TO CUSTOMERS
• Simplifies design-in: Small size saves room on the PC board (PCB), or simplifies design in smaller and lower power devices. Meets Moisture Sensitivity Level 2 requirements, which allows for unlimited storage life, when stored inside sealed moisture barrier bag, allows for PCB soldering without any material concern about solder joint quality due to aging of the sensor terminals, which minimizes the concern about aging of the terminals prior PCB assembly. Pressure choices allow engineers to select range required for their application. Leadless SMT, SMT, and DIP package options.
• Cost-effective: Small size helps engineers reduce design and manufacturing costs while maintaining enhanced performance and reliability of the systems they design.
• Accurate: Total Error Band (TEB) and wide pressure range enable engineers to optimize system performance by improving resolution and system accuracy. Optional internal diagnostics validate that the sensor readings are correct.
• Flexible: Supply voltage range, variety of pressure units, types, and ranges, output options, and wide operating temperature range simplify use in the application.
| OPERATING SPECIFICATIONS | ||||||||
| Characteristic | Analog | Digital | Unit | |||||
| Min. | Typ. | Max. | Min. | Typ. | Max. | |||
| Supply voltage (Vsupply):1, 2, 33.3 Vdc5.0 Vdc | 3.04.75 | 3.35.0 | 3.65.25 | 3.04.75 | 3.35.0 | 3.65.25 | Vdc | |
| Supply current: 3.3 Vdc 5.0 Vdcsleep mode option | --- | 2.12.7- | 2.83.8- | --- | 3.13.71 | 3.94.610 | mAmAμA | |
| Operating temperature range4 | -40 [-40] | - | 85 [185] | -40 [-40] | - | 85 [185] | °C [°F] | |
| Compensated temperature range5 | 0 [-32] | - | 50 [122] | 0 [-32] | - | 50 [122] | °C [°F] | |
| Temperature output option6 | - | - | - | - | ±4 | - | °C | |
| Startup time (power up to data ready) | - | - | 5 | - | - | 3 | ms | |
| Response time | - | 1 | - | - | 0.46 | - | ms | |
| Clipping limit:upperlower | -2.5 | -- | 97.5- | -- | -- | -- | %Vsupply | |
| I2C/SPI voltage level:lowhigh | -- | -- | -- | -80 | -- | 20- | %Vsupply | |
| Pull up on SDA/MISO, SCL/SCLK, SS | - | - | - | 1 | - | - | kOhm | |
| Total Error Band7 | - | - | ±1.5 | - | - | ±1.5 | %FSS8 | |
| Accuracy9 | - | - | ±0.25 | - | - | ±0.25 | %FSS BFSL | |
| Long term stability (1000 hr, 25°C [77°F]) | - | - | ±0.25 | - | - | ±0.25 | %FSS | |
| Output resolution | 0.03- | -- | -- | 12 | -- | -- | %FSSbits 1 Sensors are either 3.3 Vdc or 5.0 Vdc based on the catalog listing selected. 2 Ratiometricity of the sensor (the ability of the device output to scale to the supply voltage) is achieved within the specified operating voltage. 3 The sensor is not reverse polarity protected. Incorrect application of supply voltage or ground to the wrong pin may cause electrical failure. 4 Operating temperature range: The temperature range over which the sensor will produce an output proportional to pressure. 5 Compensated temperature range: The temperature range over which the sensor will produce an output proportional to pressure within the specified performance limits. 6 Temperature output option: Typical temperature output error over the compensated temperature range of 0°C to 50°C. Operation in Sleep Mode may affect temperature output error depending on duty cycle. 7 Total Error Band: The maximum deviation from the ideal transfer function over the entire compensated temperature and pressure range. Includes all errors due to offset, full scale span, pressurenon-linearity, pressure hysteresis, repeatability, thermal effect on offset, thermal effect on span, and thermal hysteresis. 8 Full Scale Span (FSS): The algebraic difference between the output signal measured at the maximum (Pmax.) and minimum (Pmin.) limits of the pressure range. (See Figure 2.) 9 Accuracy: The maximum deviation in output from a Best Fit Straight Line (BFSL) fitted to the output measured over the pressure range at 25°C [77°F]. Includes all errors due to pressure non-linearity, pressure hysteresis, and non-repeatability. | |
• Versatile: Wet-media compatibility, sleep mode, and temperature output options make the sensor a versatile choice for Internet of Things applications.
• Honeywell Brand: Utilize proprietary Honeywell technology, and are protected by multiple global patents.
• Food Safety Certification for North America, Europe and Asia.


BNSENS (Nanjing) Sensor Technology Co., Ltd. is located in Nanjing, China. It is a high-tech enterprise specializing in the development, manufacturing and trade of sensor products. The company has brought together a group of outstanding technical experts in various fields such as automation, electronics, machinery and computers. All employees of the company have college degrees or above. It adopts the world-class management and operation model and 6 sigma quality system. At present, the company's main products are pressure, liquid level, flow, current, switches, etc. The company's users are all over the country, and some products have been exported to Japan, South Korea and Southeast Asia.
Since its inception, the company has been based on the technical accumulation and management standards of American sensor giants. It is composed of senior engineers and managers who have served in multinational companies for many years, and has rapidly developed various pressure sensors, transmitters, liquid level, flow meters, pressure switches, digital meters, current sensors, proximity switches and other products. After years of unremitting efforts, it has become one of the leading suppliers in the domestic automation industry. Our pressure transmitters can achieve an accuracy of more than 3/10, 000. The products have been widely used in oil, natural gas, electricity, chemical industry, metallurgy, building materials, food, light industry, environmental protection, aerospace, tap water, municipal and other industries.
It is a sensor science and technology innovation company that masters the core technology of MEMS chips. The company has a research and development center in Minnesota, USA. The leader is Dr. Pan Hanjin, a famous scientist in the sensor industry. Dr. Pan Hanjin has been deeply involved in the sensor industry for more than 20 years and is an expert in the sensor industry.
The company has a number of ASIC chips independently developed, which are widely used in industrial, automotive, home appliance and other markets.
BNSENS (Nanjing) Sensing Technology Co., Ltd. is a strategic partner of Honeywell in China. The two parties proposed a plan of East serving East and jointly developed several sensors specifically for the Chinese market. These sensors will be widely used in intelligent manufacturing, Internet of Things, artificial intelligence, and smart home fields. These sensors include: Magnetic sensors, temperature sensors, humidity sensors, force sensors, fire water pressure sensors, equipment vibration sensors, human body status monitoring sensors, motion sensors, etc.
History of BNSENS Company:
BNSENS is a company focusing on sensors, instruments, and electronic components. We are a young company, founded in 1999, just 25 years old, and we are still growing.
1999: The company's first pressure sensor was launched, mainly for the petroleum and petrochemical industries.
2002: The company expanded its product line and launched temperature sensors
2005: Started producing high-precision pressure sensors for the test and measurement market
2006: Became an official authorized agent of Honeywell
2009: Introduced the Six Sigma management system, and the product qualification rate was greatly improved
2010: Became a supplier of Emerson
2011: We started selling SICK sensors
2014: Introduced the sensor production line from Germany, developed more industrial control sensors, and cooperated with TSMC
2015: Cooperated with Siemens in Vietnam
2017: The factory moved to Nanjing High-tech Zone
2019: Became a national high-tech enterprise in China
2023: We started selling products from Infineon and Rohm
BNSENS, The Future Starts Here.











