12CX200
Specifications
| Description | Product Attribute |
|---|---|
| Manufacturer | Honeywell |
| Product Category | Basic / Snap Action Switches |
| Type | Hazardous Location |
| Contact Form | SPDT |
| Switch Function | ON - (OFF), OFF - (ON) |
| Actuator | Lever |
| Current Rating | 20 A |
| Voltage Rating AC | 480 VAC |
| Voltage Rating DC | 250 VDC |
| Operating Force | 0.5 N |
| Termination Style | Screw |
| Mounting Style | Chassis Mount |
| Actuator Style | Lever |
| Illuminated | Non-Illuminated |
| Product Type | Snap Action Switches |
| Subcategory | Switches |
Product Description
Honeywell MICRO SWITCH CX switches are built especially for outdoor use in hazardous atmospheres. These enclosures are constructed to withstand the pressure of an internal explosion. Flame paths cool the exploded gases to a point less than the lowest safe operating temperature of the surrounding gas.
Honeywell MICRO SWITCH 80CX Series switches have rugged bronze housings that are designed to be resistant to salt water and other corrosive environments. They comply with the NEMA 4X requirement for protection against corrosion, in addition to NEMA enclosure standards met by other CX switches.
The product's o-ring seals make the enclosure rain tight, but are outside of required flame paths so explosion proof requirements are maintained. Unless special ordered, all basic switches operate on clockwise and counterclockwise rotation. The actuating mechanism can be field adjusted for CW or CCW operation only. No tools are required.
FEATURES
• Certified for applicable portions of NEMA 7 and 9 for explosive environments
• Select CX switches are certified to ATEX, IEC Ex and KOSHA specifications for global applications
• NEMA 1,3, 4, 4X, 6, 6P and 13 sealing
• Watertight and dust-tight for outdoor use
• Meets hazardous area requirements
• UL Listed, file #E14274 1
• CSA Certified, file #LR57324 1
• ATEX certificate DEKRA 22ATEX0048X 1
• IEC Ex certificate IECEx DEK 22.0033X 1
• KOSHA certificates: 20-AV4BO-0146X, 20AV4BO-0149X, 20-AV4BO-0150X, and 20-AV4BO-0151X1
• Choice of rugged cast aluminum or bronze housings
• Bronze housing offered for corrosion resistance
• Field-adjustability allows pretravel, overtravel and actuating sequence to be field adjusted without tools
VALUE TO CUSTOMERS
• Building-block design allows for digital switching ouputs
• Weather sealed to NEMA and IP ratings
• UL, CSA, ATEX, IEC Ex, KOSHA certified for hazardous (explosive) environments.1
• Designed with the end user in mind, these switches help to create user-friendly interfaces with broad application possibilities to help meet the challenges of many different environments
• Available with gold contacts, low-temp seals and bronze corrosion-resistant housing
INDUSTRIAL APPLICATIONS
• Seaside grain and fuel loading docks that may require explosion proof and corrosion-resistant switches
• Oil and gas wells, refineries and fuel storage facilities that may require explosion-proof and corrosion-resistant switches
• Chemical plants with corrosive environments
SPECIFICATIONS
| Characteristic | Parameter | |||||
| Actuators | Side rotary (choice of levers), side rotary (with flat shaft), plunger actuator | |||||
| Housing material | Aluminum with electrostatic epoxy coating or corrosion-resistant bronze | |||||
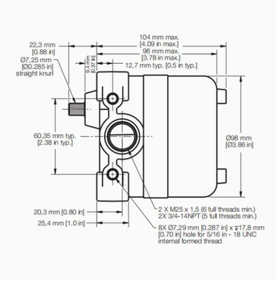
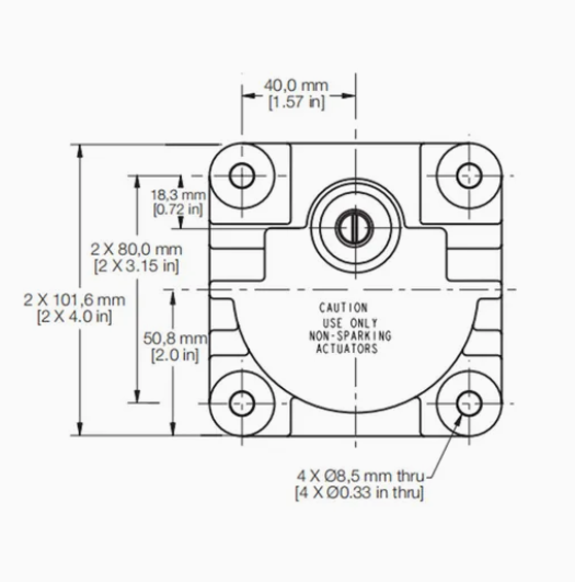
| Termination | 3/4 x 14 NPT, M25 x 1,5 mm conduit | |||||
| Sealing | NEMA 1, 3, 4, 4X, 6, 6P, and 13; IP66 | |||||
| Hazardous area designations | NEMA 7: Class I, Div.1 & Div. 2, Groups B (14CX, 16CX, 24CX, 26CX, 36CX only), C, and D;NEMA 9: Class II, Div.1 & Div. 2, Groups E, F, and GATEX/IEC Ex, KOSHA (Gas) II 2 G Ex db I IC T6 GbATEX/IEC Ex, KOSHA (Dust) II 2 D Ex tb III C T85C Db | |||||
| Operating Temperature | -25°C to 85°C [-13°F to 185°F] | |||||
| Agency Approvals1 | UL Listed, file #E14274CSA Certified, file #LR57324ATEX certificate DEKRA 22ATEX0048XIEC Ex certificate DEK 22.0033XKOSHA certificates 20-AV4BO-0146X, 20-AV4BO-0149X, 20-AV4BO-0150X, and 20-AV4BO-0151X | |||||
| 1 NOTE: All catalog listings do not carry all certifications. International Certifications are product specific and available upon request.Please contact Honeywell for assistance. | ||||||
ELECTRICAL RATINGS (IN AMPERES)
| Rating Code | Switch Description | UL/CSA | ||||
| A | BZ basic switch, SPDT | 15 A 120/240/480 Vac; 1/8 HP, 120 Vac1/4 HP, 240 Vac; 0.5 A, 125 Vdc; 0.25 A, 250 Vdc | ||||
| B | BA basic switch, SPDT | 20 A 120/240/480 Vac; 1 HP, 120 Vac; 2 HP, 240 Vac;0.5 A, 125 Vdc; 0.25 A, 250 Vdc | ||||
| C | DT basic switch, DPDT | 10 A 120/240/480 Vac, 0.3 A 125 Vdc; 0.15 A, 250 Vdc | ||||
| D | HS basic switch (hermetic seal), SPDT | 1 A, 125 Vac; 5 A, 28 Vdc | ||||
| F | BZ basic switch (gold contacts), SPDT | 1 A, 125 Vac | ||||

| ORDER GUIDE | ||||||||||
| Cat. Listing1 | Housing Material | Cover Size | Switch Action2 | Basic Switch Type,Quantity, Circuitry | ElectricalRatingPage 4) | Pretravelmax. | DifferentialTravel max. | Overtravelmin. | Options | Comments |
| 11CX12 | Epoxy-coated aluminum | Short | Maintained | BZ (2), SPDT each | A (15 A) | 15° | 10° | 90° | - | - |
| 11CX12E | Epoxy-coated aluminum | Short | Maintained | BZ (2), SPDT each | A (15 A) | 15° | 10° | 90° | ATEX/IEC Ex/KOSHA certified | - |
| 11CX2 | Epoxy-coated aluminum | Short | Momentary | BZ (2), SPDT each | A (15 A) | 15° | 10° | 90° | - | - |
| 11CX2E | Epoxy-coated aluminum | Short | Momentary | BZ (2), SPDT each | A (15 A) | 15° | 10° | 90° | ATEX/IEC Ex/KOSHA certified | - |
| 1172CX2 | Epoxy-coated aluminum | Short | Momentary | BZ (2), SPDT each | F (1 A) | 15° | 10° | 90° | - | Gold-plated switch contacts |
| 11CX5C | Epoxy-coated aluminum | Short | Momentary | BZ (2), SPDT each | A (15 A) | 15° | 10° | 90° | Low-temperature seals | 1 switch operates CW, 1 switch operates CCW |
| 11CX212 | Epoxy-coated aluminum | Short | Maintained | BZ (2), SPDT each | A (15 A) | 15° | 10° | 90° | - | Cam provides ~ 30° actuation in 360° rotationfor each basic switch |
| 12CX12 | Epoxy-coated aluminum | Short | Maintained | BA (2), SPDT each | B (20 A) | 15° | 10° | 90° | - | - |
| 12CX12-D01 | Epoxy-coated aluminum | Short | Maintained | BA (2), SPDT each | B (20 A) | 15° | 10° | 90° | Flat shaft for direct coupling | - |
| 12CX15-D01 | Epoxy-coated aluminum | Short | Maintained | BA (2), SPDT each | B (20 A) | 15° | 10° | 90° | Flat shaft for direct coupling | 1 switch operates CW, 1 switch operates CCW |
| 12CX2 | Epoxy-coated aluminum | Short | Momentary | BA (2), SPDT each | B (20 A) | 15° | 10° | 90° | - | - |
| 12CX2A | Epoxy-coated aluminum | Short | Momentary | BA (2), SPDT each | B (20 A) | 15° | 10° | 90° | Threaded mounting holes, side (8) | - |
| 12CX2AE | Epoxy-coated aluminum | Short | Momentary | BA (2), SPDT each | B (20 A) | 15° | 10° | 90° | Threaded mounting holes, side (8),ATEX/IEC Ex/KOSHA certified | - |
| 12CX5E | Epoxy-coated aluminum | Short | Momentary | BA (2), SPDT each | B (20 A) | 15° | 10° | 90° | ATEX/IEC Ex/KOSHA certified | 1 switch operates CW, 1 switch operates CCW |
| 12CX200 | Epoxy-coated aluminum | Short | Maintained | BA (2), SPDT each | B (20 A) | - | - | - | - | Cam provides approximately 30° actuation in360° rotation for each basic switch |
| 14CX1E | Epoxy-coated aluminum | Short | Momentary | DT (1), DPDT | C (10 A) | 30° | 25° | 75° | ATEX/IEC Ex/KOSHA certified | - |
| 16CX1 | Epoxy-coated aluminum | Short | Momentary | HS (1), SPDT | D (1 A) | 30° | 20° | 75° | - | Hermetically sealed basic switches |
| 16CX1E | Epoxy-coated aluminum | Short | Momentary | HS (1), SPDT | D (1 A) | 30° | 20° | 75° | ATEX/IEC Ex/KOSHA certified | Hermetically sealed basic switches |
| 16CX2 | Epoxy-coated aluminum | Short | Momentary | HS (2), SPDT each | D (1 A) | 30° | 20° | 75° | - | Hermetically sealed basic switches |
| 16CX2C | Epoxy-coated aluminum | Short | Momentary | HS (2), SPDT each | D (1 A) | 30° | 20° | 75° | Low-temperature seals | Hermetically sealed basic switches |
| 16CX12 | Epoxy-coated aluminum | Short | Maintained | HS (2), SPDT each | D (1 A) | 30° | 20° | 75° | - | Hermetically sealed basic switches |
| 21CX4 | Epoxy-coated aluminum | Standard | Momentary | BZ (4), SPDT each | A (15 A) | 15° | 10° | 90° | - | - |
| 21CX12F | Epoxy-coated aluminum | Standard | Maintained | BZ (2), SPDT each | A (15 A) | 15° | 10° | 90° | - | Two basic switches. 4 sets of cams& return springs |
| 21CX14 | Epoxy-coated aluminum | Standard | Maintained | BZ (4), SPDT each | A (15 A) | 15° | 10° | 90° | - | - |
| 22CX4 | Epoxy-coated aluminum | Standard | Momentary | BA (4), SPDT each | B (20 A) | 15° | 10° | 90° | - | - |
| 24CX2 | Epoxy-coated aluminum | Standard | Momentary | DT (2), DPDT each | C (10 A) | 30° | 25° | 75° | - | - |
| 26CX4 | Epoxy-coated aluminum | Standard | Momentary | HS (4) SPDT each | D (1 A) | 30° | 20° | 75° | - | Hermetically sealed basic switches |
| 26CX14 | Epoxy-coated aluminum | Standard | Maintained | HS (4) SPDT each | D (1 A) | 30° | 20° | 75° | - | Hermetically sealed basic switches |
| 26CX16 | Epoxy-coated aluminum | Standard | Maintained | HS (4) SPDT each | D (1 A) | 30° | 20° | 75° | - | Hermetically sealed basic switches,two switches operate CW,two switches operate CCW |
| 74CX2 | Bronze | Standard | Momentary | DT (2) DPDT each | D (10 A) | 30° | 25° | 75° | - | Threaded mounting holes, side (8) |
| 81CX2 | Bronze | Standard | Momentary | BZ (2) SPDT each | A (15 A) | 15° | 10° | 90° | - | - |
| 82CX2A | Bronze | Standard | Momentary | BA (2) SPDT each | B (20 A) | 15° | 10° | 90° | Threaded mounting holes, side (8) | - |
| ¹ Basic switches operate nearly simultaneously in multiple switch devices² Shafts of devices without spring return can be rotated through 360° | ||||||||||
| All catalog listings do not carry all certifications. International Certifications are product specific and available upon request. Please contact Honeywell for as | ||||||||||


BNSENS (Nanjing) Sensor Technology Co., Ltd. is located in Nanjing, China. It is a high-tech enterprise specializing in the development, manufacturing and trade of sensor products. The company has brought together a group of outstanding technical experts in various fields such as automation, electronics, machinery and computers. All employees of the company have college degrees or above. It adopts the world-class management and operation model and 6 sigma quality system. At present, the company's main products are pressure, liquid level, flow, current, switches, etc. The company's users are all over the country, and some products have been exported to Japan, South Korea and Southeast Asia.
Since its inception, the company has been based on the technical accumulation and management standards of American sensor giants. It is composed of senior engineers and managers who have served in multinational companies for many years, and has rapidly developed various pressure sensors, transmitters, liquid level, flow meters, pressure switches, digital meters, current sensors, proximity switches and other products. After years of unremitting efforts, it has become one of the leading suppliers in the domestic automation industry. Our pressure transmitters can achieve an accuracy of more than 3/10, 000. The products have been widely used in oil, natural gas, electricity, chemical industry, metallurgy, building materials, food, light industry, environmental protection, aerospace, tap water, municipal and other industries.
It is a sensor science and technology innovation company that masters the core technology of MEMS chips. The company has a research and development center in Minnesota, USA. The leader is Dr. Pan Hanjin, a famous scientist in the sensor industry. Dr. Pan Hanjin has been deeply involved in the sensor industry for more than 20 years and is an expert in the sensor industry.
The company has a number of ASIC chips independently developed, which are widely used in industrial, automotive, home appliance and other markets.
BNSENS (Nanjing) Sensing Technology Co., Ltd. is a strategic partner of Honeywell in China. The two parties proposed a plan of East serving East and jointly developed several sensors specifically for the Chinese market. These sensors will be widely used in intelligent manufacturing, Internet of Things, artificial intelligence, and smart home fields. These sensors include: Magnetic sensors, temperature sensors, humidity sensors, force sensors, fire water pressure sensors, equipment vibration sensors, human body status monitoring sensors, motion sensors, etc.
History of BNSENS Company:
BNSENS is a company focusing on sensors, instruments, and electronic components. We are a young company, founded in 1999, just 25 years old, and we are still growing.
1999: The company's first pressure sensor was launched, mainly for the petroleum and petrochemical industries.
2002: The company expanded its product line and launched temperature sensors
2005: Started producing high-precision pressure sensors for the test and measurement market
2006: Became an official authorized agent of Honeywell
2009: Introduced the Six Sigma management system, and the product qualification rate was greatly improved
2010: Became a supplier of Emerson
2011: We started selling SICK sensors
2014: Introduced the sensor production line from Germany, developed more industrial control sensors, and cooperated with TSMC
2015: Cooperated with Siemens in Vietnam
2017: The factory moved to Nanjing High-tech Zone
2019: Became a national high-tech enterprise in China
2023: We started selling products from Infineon and Rohm
BNSENS, The Future Starts Here.










